RETICULATED PIPED GAS SYSTEMS
LPG Reticulated Systems
Reticulated LPG/Gas system is nothing but supplying the LPG through special LPG pipeline network. This system is most sought of in residential projects in all metro cities.
LPG cylinders are stored in a cylinders bank at the ground level and the regulators are installed in all the apartments. Special protected devices are installed in Gas bank. The system has multiple pressure regulation stages to supply LPG to user at low pressure and to make the system safer. This system is compatible to piped natural gas after the availability of natural gas in respective cities.
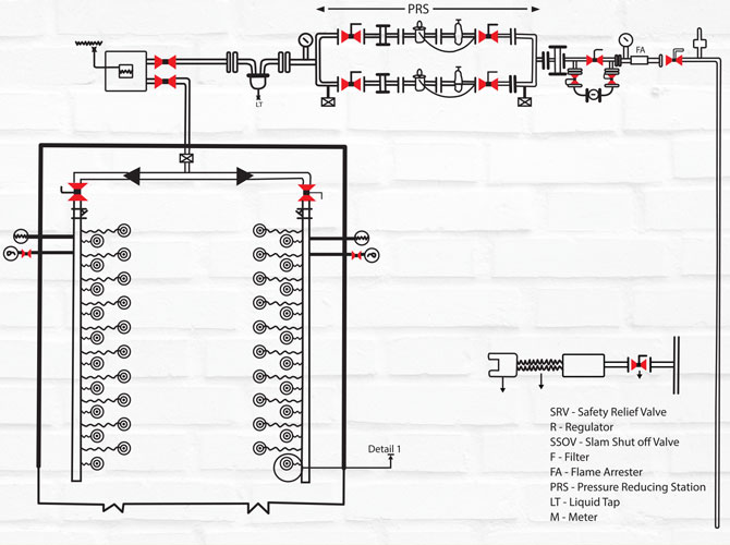
The main components of KRB Multigas Projects are as follows:
• Gas Bank A
• Isolation valve for Gas Bank A
• Gas Bank B
• Isolation valve for Gas Bank B
• Pressure gauge No. 1 (range 0 to 10 kg/㎠)
• Filter, Slam Shut Off Valve, First Stage Regulator and safety Relief Valve
• Pressure gauge No. 2 (range 0 to 2 kg/㎠)
• Isolation Valve for Each Building Risers
• Flame Arrestor
• Isolation Valve inside the Kitchen
• Line regulator
• Gas Meter
• QT (Quarter Turn) isolation valve near appliances
What KRB Offers
• Total System Design
• Supply, installation and commissioning of the entire system.
• inspection & maintenance of the facility
• Assured continuous supply of LPG to the reticulated system through tie up
with Oil Companies
• After sales service and support
• Hands on training to the residents
• 24-hour Emergency Service
• Continues supply of gas at the turn of tap
• Increased safety in kitchen as LPG enters the Flat / House at a very low pressure. Enhance safety,
as cylinder is not stored inside the flat
• No cylinder handling in houses/ flats hence saving valuable space in kitchen
• Easy and effortless operation with increased convenience
• Payment as per actual consumption of gas recorded in gas meters
• Elements cylinder refill booking by individual consumers
• No need to have an additional cylinder in
the house thus enhances safety
Safety
• The system is designed to supply LPG through multiple pressure regulation stages, in order to reach user at a
safe low pressure.
• The system is equipped with UPSO/ OPSO valve thus minimize chance of LPG leakage.
• As in Reticulated system as compare to conventional system in which high pressure cylinder is located in kitchen which is potential threat to human life and property is completely eliminated.
Safety Standard
System is designed to meet Indian safety standards applicable as below.
• IS:6044(PART 1) as applicable to multi-cylinder installation
• IS: 6044 (PART 2) Commercial, Industrial and bulk storage installation
Vapor Off Take
VOT
The 'N' No of cylinders are connected to the mainfold & the vaporized LPG is directly down from the cylinders with Natural Vaporization Process. This vaporized LPG is passed through the properly designed 1st Stage & 2nd Stage Pressure Reducing Station. This LPG VOT facility is normally recommended for Low utility consumption per hour of LPG
Advantages of VOT Systems:
• Requires Less Area
• No residual loss
• Easy availability
• Very convenient to handle 47.5 Kg Cylinders
• Constant Pressure
• Cheaper than bulk installation
Liquid Off Take
LOT
LPG LOT System is advance concept in Multi-cylinder Installation which offers Strength of Bulk LPG Installation and easy functionality. LPG LOT System Can cater to volumes up to 250 Kg per hour Installation which overcomes lots of problems and demerits of bulk LPG Installation & conventional Manifold (VOT) system. LPG LOT System withdraws Liquid LPG up to 10 Kg/Hr. LOT Systems that are known for their compact design and safe usage. The systems offered comprise connecting hoses, NRVs, valves, piping system, LPG vaporizer with all safety fittings, pressure regulating stations, filters and gauges. The offer indigenously manufactured vaporizers with electrically heated water bath design and world class dry type vaporizer. These can ideally be operated on single phase power without the need of any water inlet / outlet connections. we also offer to our clients metering systems, gas leak detection systems, remote operated control valves and other instruments. LOT system withdraws liquid LPG using LOT valves & is converted into vapor using a vaporizer. LPG off take per cylinder can go up to 10kg/hr which is comparatively much more than the normal Vapor off take cylinder of 0.6 kg/hr. The system offers the efficiency of Bulk installation and easy functionality of cylinder manifold system. LOT systems are compact, safe & highly cost effective as liquid is completely drawn from the cylinder and there is no residual loss.
Advantages of LOT Systems:
• Requires Less Area
• Constant Pressure
• Very convenient to handle 47.5 Kg Cylinders
• No residual loss
• Easy availability
• Cheaper then Bulk installations
OXYGEN / NITROGEN / AIR
PIPING
Oxygen pipeline systems developed over many decades in the various countries have shown good and comparable safety records, although company practices show many differences in design and operations. Some national authorities have also introduced legislation that is mandatory for the operators in those countries.
The scope of this publication is for metal oxygen pipelines, distribution piping systems, and gaseous oxygen piping on an air separation plant external to the coldbox. The scope is limited to gaseous oxygen with a temperature range between –30 °C and 200 °C (–22 °F and 400 °F), pressures up to 21 MPa (3000 psi) and a dew point of –30 °C (–22 °F) or less depending on local conditions.
The purpose of this publication is to further the understanding of those engaged in the safe design, operation, and maintenance of gaseous oxygen transmission and distribution systems. It is not intended to be a mandatory standard or code.
Our Proud Vendors





